Пневмоостров серии S1R EMC

EMC
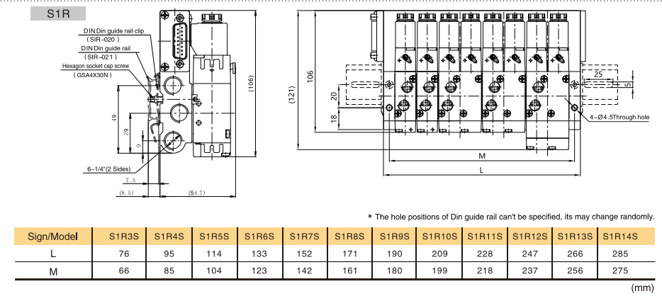
S1R
Встроенный коллектор клапана, встроенная проводка, 15-контактный разъем D-Sub.
• Встроенные коллекторы клапана и проводки
• Использование 15-контактного разъема D-Sub, COM-контакта
• Многополюсный электрический разъем позволяет легко и быстро осуществить
подключение острова одним кабелем
Цена зависит от необходимых распределителей на острове.

Тип: Пневмоострова

Серия: SR

Спецификация
Размеры

Спецификация

Размеры

Популярные товары